Кнопочные краны VE-РАСКО в нормально закрытом (НЗ) исполнении предназначены для кратковременной подачи давления на манометры и другие механические измерительные приборы во время измерений, а также для последующего сброса давления после их завершения. Эти краны продлевают срок службы манометров, устраняя постоянное воздействие пульсаций давления на их чувствительные элементы и предотвращая преждевременный износ измерительного механизма.
Кнопочные краны VE-РАСКО в нормально открытом (НО) исполнении предназначены для постоянной подачи давления на электронные датчики и преобразователи давления во время измерений, а также для кратковременного снятия давления с целью удобного контроля нуля («дрейфа 0») приборов.

Возможно, Вас заинтересует НОВИНКА (аналог): NEW!
VE-PACKO-M кран кнопочный (уменьшенной металлоёмкости)
Кнопочные краны VE-РАСКО для манометров используются в газораспределительных пунктах (ГРП) и установках (ГРУ), в системах газоснабжения коммунальных и промышленных объектов, а также в системах вентиляции, кондиционирования, котельных, тепловых пунктах, компрессорных установках и другом технологическом оборудовании.
Кнопочные краны для манометра VE-РАСКО имеют класс герметичности А по ГОСТ 9544-2005.
Кнопочные краны VE-РАСКО существенно превосходят зарубежные аналоги по таким параметрам, как диапазон рабочих температур, максимальное допустимое давление и функциональные возможности — нормально закрытое и нормально открытое исполнения.
Продукция сертифицирована, имеется разрешение на применение.
| Наименование параметра | Значение |
| Измеряемая среда | воздух, природный газ, аргон и другие газы, неагрессивные к медным сплавам, нержавеющей стали и масло-бензостойкой резине |
| Давление измеряемой среды, МПа | 0,6; 1,6 |
| Температура рабочей и окружающей среды, ºС | –40 … +70 |
| Конструктивное исполнение по соединению входа и выхода при ненажатой кнопке | НЗ — нормально закрытый; НО — нормально открытый |
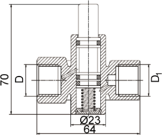
| Тип резьбы на входе D и выходе D1 (со стороны измерителя давления) | Внутренняя резьба: G1/2” по DIN ISO 228 или М20х1,5 или М12х1,5 (новое исполнение) |

Пример обозначения при заказе кнопочного крана для манометра VE-PACKO:
Кран для манометра кнопочного типа НЗ-исполнение на давление 1,6 МПа с резьбой на входе (со стороны рабочего давления) G1/2" и резьбой на выходе (со стороны измерителя давления) М20х1,5-6Н: Кран кнопочный VE-РАСКО-НЗ-1,6-G1/2-М20.
Использование кнопочных кранов VE-PACKO (пример) в индивидуальных тепловых пунктах:

Купить кран кнопочный VE РАСКО (кран для манометра) по минимальной цене в Москве (со склада или с доставкой по России) Вы можете в НПФ РАСКО, обратившись к нашим специалистам.

Возможно, Вас заинтересует НОВИНКА (аналог): NEW!
VE-PACKO-M кран кнопочный (уменьшенной металлоёмкости)