Нормально закрытые (НЗ) кнопочные краны VE-PACKO-M разработаны для защиты манометров, напоромеров и других механических измерительных приборов от постоянного воздействия пульсаций давления на их чувствительные элементы, предотвращая преждевременный износ измерительных механизмов. Защита осуществляется путем нажатия кнопки, что обеспечивает кратковременную подачу давления на прибор во время измерения, и автоматического снятия давления при отпускании кнопки после завершения измерения. Таким образом, эти краны обеспечивают кратковременную, управляемую подачу рабочего давления на прибор, защищая его от пульсаций и перегрузок, а также увеличивая срок службы.
Нормально открытые (НО) кнопочные краны VE-PACKO-M предназначены для контроля нуля («дрейфа 0») электронных измерительных приборов, таких как датчики и преобразователи давления с электрическим выходным сигналом. Контроль осуществляется путем нажатия кнопки, что обеспечивает кратковременное снятие давления (разгрузку прибора), и последующего автоматического восстановления подачи давления при отпускании кнопки. Другими словами, эти краны предназначены для обеспечения удобного контроля нуля («дрейфа 0») электронных приборов измерения избыточного давления непосредственно в условиях эксплуатации.
Кнопочные краны VE-PACKO-M ® выполняют свои функции при нажатии кнопки, а после снятия усилия автоматически возвращаются в исходное состояние.
Кнопочные краны VE-PACKO-M ® также могут применяться для отключения измерительных приборов от источника давления при проведении поверки, замены, ремонтных или иных регламентных работ.
Кнопочные краны VE-PACKO-M для манометров используются в газораспределительных пунктах (ГРП) и установках (ГРУ), системах газоснабжения коммунальных и промышленных объектов, а также в системах вентиляции, кондиционирования, котельных, тепловых пунктах, компрессорных установках и другом технологическом оборудовании.

Примечание:
* - поставляется при заказе партии от 500 шт.
а) Кран кнопочный VE-РАСКО нормально открытого исполнения (НО), применяемый при рабочем давлении в магистрали до 1,6 МПа, с присоединительной внутренней резьбой к магистрали (вход) G1/2 и имеющий внутреннюю резьбу (выход) М20×1,5 для подсоединения измерительного прибора:
«Кран кнопочный VE-РАСКО-НО-1,6- G1/2 -М20-М2 ТУ 4212-134-00227471-2009».
б) Кран кнопочный VE-РАСКО нормально закрытого исполнения (НЗ), применяемый при рабочем давлении в магистрали до 1,6 МПа, с присоединительной наружной резьбой к магистрали (вход) G1/2 и имеющий внутреннюю резьбу (выход) М12×1,5 для подсоединения измерительного прибора:
«Кран кнопочный VE-РАСКО-НЗ-1,6-G1/2-М12-М1 ТУ 4212-134-00227471-2009».
| Наименование параметра | Значение |
| Рабочая среда | воздух, природный и другие газы, неагрессивные к медным сплавам, нержавеющей и углеродистой сталям и масло-бензостойкой резине |
| Давление измеряемой среды, МПа | 1,6 |
| Температура рабочей и окружающей среды, ºС | -40…+70 |
| Класс герметичности по ГОСТ 9544-93 | А |
| Конструктивное исполнение по соединению входа и выхода при не нажатой кнопке: | НЗ — нормально закрытый |
| НО — нормально открытый | |
| Конструктивное исполнение по типу присоединительной резьбы на входе D | М1 — наружная резьба G1/2″ |
| М2 — внутренняя резьба G1/2″ | |
| Параметры резьбы на выходе D1 (со стороны измерителя давления) | внутренняя резьба G1/2”; G1/4” ; М20х1,5; М12х1,5 |
Примечание.
По отдельному заказу возможна поставка кнопочных кранов с другими сочетаниями типов и размеров присоединительных резьб.
Декларация о соответствии ТР ТС 010/2011 «О безопасности машин и оборудования»

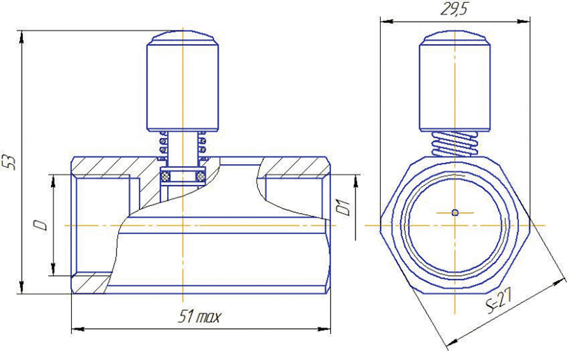
Кран VE-РАСКО конструктивного исполнения «М1»

Кран VE-РАСКО конструктивного исполнения «М2»

Пример записи обозначения крана при заказе:
«Кран кнопочный VE-РАСКО-М2-НЗ-16-G1/2-М20х1,5-Ст»
Кран кнопочный VE-РАСКО-М модификации 2 (с внутренней резьбой для присоединения к магистрали), нормально закрытого исполнения (НЗ), применяемый при рабочем давлении до 16 кгс/см2 (до 1,6 МПа), с присоединительной внутренней резьбой к магистрали (Вход) G1/2 и имеющий внутреннюю резьбу (Выход) М20х1,5 для подсоединения измерительного прибора, с корпусом изготовленным из стали с коррозионностойким покрытием Ц9.Хр.
Возможно проведение разработки и изготовления кнопочных кранов с измененными характеристиками по техническим требованиям Заказчика при заказе партии от 500 шт.