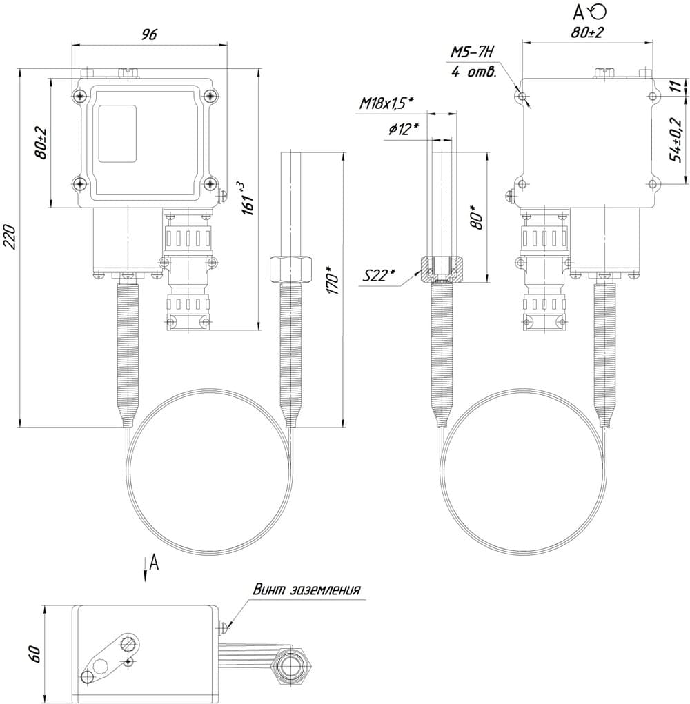
Датчики-реле температуры ТАМ-102С предназначены для эксплуатации в холодильных установках, а также в различных системах контроля и регулирования температуры жидких и газообразных сред.
Температурные датчики-реле ТАМ-102С предназначены для работы в средах, таких как воздух, пресная вода, масла, хладоны и другие вещества, не вызывающие коррозионного воздействия на материалы, контактирующие с рабочей средой. К таким материалам относятся медь, медные сплавы, серебряные припои, различные виды сталей и оловянно-свинцовые соединения.
| Условное обозначение прибора | Диапазон уставки, °С | Длина капилляра (дистанционность трубки) | Основная погрешность на числовых и контрольных отметках, °С, не более | Зона возврата нерегулируемая, °С, не более | Разброс срабатывания, °С, не более |
|
ТАМ-102С-1(2)-1-1 |
от + 5 до + 35 |
1,5 |
±1,5 |
6 |
1 |
|
ТАМ-102С-1(2)-1-2 |
2,5 |
||||
|
ТАМ-102С-1(2)-1-3 |
4 |
||||
|
ТАМ-102С-1(2)-2-1 |
от + 30 до + 60 |
1,5 |
8 |
||
|
ТАМ-102С-1(2)-2-2 |
2,5 |
||||
|
ТАМ-102С-1(2)-2-3 |
4 |
||||
|
ТАМ-102С-1(2)-3-1 |
от + 55 до + 100 |
1,5 |
±3,0 |
10 |
|
|
ТАМ-102С-1(2)-3-2 |
2,5 |
||||
|
ТАМ-102С-1(2)-3-3 |
4 |
||||
|
ТАМ-102С-1(2)-4-1 |
от + 10 до + 60 |
1,5 |
8 |
||
|
ТАМ-102С-1(2)-4-2 |
2,5 |
||||
|
ТАМ-102С-1(2)-4-3 |
4 |
||||
|
ТАМ-102С-1(2)-5-1 |
от + 50 до + 130 |
1,5 |
10 |
||
|
ТАМ-102С-1(2)-5-2 |
2,5 |
||||
|
ТАМ-102С-1(2)-5-3 |
4 |
||||
|
ТАМ-102С-1(2)-6-1 |
от + 50 до + 130 |
1,5 |
|
||
|
ТАМ-102С-1(2)-6-2 |
2,5 |
|
|||
|
ТАМ-102С-1(2)-6-3 |
4 |
|
|||
|
ТАМ-102С-1(2)-7-1 |
от - 20 до + 10 |
1,5 |
±2,0 |
8 |
|
|
ТАМ-102С-1(2)-7-2 |
2,5 |
||||
|
ТАМ-102С-1(2)-7-3 |
4 |
||||
|
ТАМ-102С-1(2)-8-1 |
от - 35 до - 5 |
1,5 |
|||
|
ТАМ-102С-1(2)-8-2 |
2,5 |
||||
|
ТАМ-102С-1(2)-8-3 |
4 |
Примечания:
| Условное обозначение прибора | Диапазон уставок, °С | Максимально допускаемое значение температуры контролируемой среды, °С |
|
ТАМ-102С-1(2)-1 |
от +5 до +35 |
+70 |
|
ТАМ-102С-1(2)-2 |
от +30 до +60 |
+85 |
|
ТАМ-102С-1(2)-3 |
от +55 до +100 |
+130 |
|
ТАМ-102С-1(2)-4 |
от +10 до +60 |
+85 |
|
ТАМ-102С-1(2)-5 |
от +50 до +130 |
+145 |
|
ТАМ-102С-1(2)-6 |
от +50 до +130 |
+145 |
|
ТАМ-102С-1(2)-7 |
от -20 до +10 |
+45 |
|
ТАМ-102С-1(2)-8 |
от -35 до -5 |
+40 |
| Род тока | Напряжение, В |
Коммутируемая мощность, Вт |
Ток, А |
Сos j, не менее |
Частота, Гц |
|
| мин. | макс. | |||||
| Постоянный | от 12 до 24 | 60 | 0,1 | – | – | – |
| Переменный | 127; 220 | – | 0,1 | 6 | 0,6 | 50 или 60 |
Примечания:
Датчики-реле температуры ТАМ-102С достаточно устойчивы и могут сохранять установленные параметры в условиях воздействия рабочей среды: пониженной (-10 ºС) и рабочей повышенной (+55 ºС) температур окружающего воздуха. По защищенности от приникновения внутрь приборов пыли и влаги датчики ТАМ-102С имеют исполнение IP64 по ГОСТ 14254-96.
Масса прибора не более 1,3 кг.

Примечание:
1 — соединители EN 175301-803 форма А и типа ШР устанавливаются на климатическое исполнение — УХЛ3, тип 2РТТ — на оборудование в климатическом исполнении В2,5;
2 — климатические факторы (их номинальные значения) при эксплуатации ТАМ-102С в рабочем состоянии (ГОСТ 15150-69) для исполнения В категории 2, но при этом значение относительной влажности окружающего воздуха принимают таким как для категории 5.
3 — поставляется по отдельному заказу;
4 — при заказе нескольких комплектов монтажных частей допускается перечисление через запятую.
1) «датчик-реле температуры ТАМ-102С», зона возврата (направление) — в сторону понижения температуры относительно уставки, диапазон уставки — от 55 до 100°С, длины капиллярной трубки — 2,5 м, электрический соединитель — типа 2РТТ, климатическое исполнение — В2,5, значение уставки — 70 °С, с монтажным комплектом К1:
«Датчик-реле температуры ТАМ-102С-2-3-2-3, В2,5, уставка 70°С, К1 ТУ 4218-144-00227471-2012».
2) если в заказе отсутствуют величины срабатывания уставки, то:
«Датчик-реле температуры ТАМ-102С-2-3-2-3, В2,5, К1 ТУ 4218-144-00227471-2012».
3) «датчик-реле температуры ТАМ-102С», зона возврата (направление) — в сторону понижения температуры относительно уставки, с диапазоном уставки от 30 до 60°С, длина капиллярной трубки — 2,5 м, электрический соединитель — тип 2РТТ, климатическое исполнение — В2,5, значение уставки — 50°С, с монтажными комплектами К1, К4:
«Датчик-реле температуры ТАМ-102С-2-2-2-3, В2,5, уставка 50°С, К1, К4 ТУ 4218-144-00227471-2012».
4) «датчик-реле температуры ТАМ-102С», зона возврата (направление) — в сторону повышения температуры относительно уставки, с диапазоном уставок от 50 до 130°С, с длиной капиллярной трубки 4 м, с электрическим соединителем типа ШР, климатического исполнения УХЛ3, для экспорта, значение уставки 50 °С, с монтажным комплектом К2:
«Датчик-реле температуры ТАМ-102С-1-5-3-2, УХЛ3, Э, уставка 50°С, К2 ТУ 4218-144-00227471-2012».



