Датчик (преобразователь) давления ПД-Р используется для преобразования избыточного давления жидких, газообразных и парообразных сред в стандартный выходной сигнал постоянного тока, пропорциональный измеряемому давлению.
Датчики давления ПД-Р находят применение в жилищно-коммунальной сфере, в узлах учета воды и тепловой энергии согласно требованиям Правил учёта теплоносителя и тепловой энергии. Они используются в системах централизованного мониторинга и управления технологическими процессами на объектах электро-, тепло-, водо-, нефтепровода и газоснабжения, в распределительных сетях, а также в составе локальных автоматизированных систем насосного, компрессорного и другого технологического оборудования.
Межповерочный интервал датчика преобразователя избыточного давления — 4 года.
Гарантийный срок эксплуатации до 4 лет.
| Наименование параметра | Значение |
| Измеряемая среда | Вода, масла, воздух и другие некристаллизующиеся жидкости и газы, неагрессивные к нержавеющей стали и керамике |
| Верхние пределы измерений, МПа | 0,6; 1,0; 1,6; 2,5; 4,0 |
| Температура рабочей и окружающей среды, °С | -10…+80 |
| Предел допускаемой основной погрешности, % | ±0,5; ±1,0 |
| Суммарная погрешность в рабочем диапазоне температур, % | ±1,0; ±2,0 |
| Выходной сигнал, мА | 4 – 20 |
| Напряжение питания, В | 9 – 30 |
| Перегрузочная способность | 1,5 |
| Степень защиты корпуса | IP65 |
| Тип электрического соединения | DIN 43650с |
| Присоединение | М20х1.5;G1/2; М12х1,5*;G1/4* |
| Масса с резьбой G1/2, не более, кг | 0,2 |
* — перед заказом необходимо связаться с поставщиком.

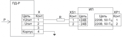
Схема внешних электрических соединений преобразователя давления ПД-Р:

Пример обозначения преобразователя давления ПД-Р при заказе:
Преобразователь избыточного давления с верхним пределом измерения избыточного давления 1,6 МПа, пределом основной погрешности ± 0,5%, присоединительной резьбой М20х1,5: Преобразователь избыточного давления ПД-Р-1,6МПа-0,5-М20
![]() |
![]() |
![]() |
Преобразователь избыточного давления ПД-Р (датчик давления) — это измерительный прибор, выходной сигнал которого находится в прямой зависимости от уровня давления газа, жидкости или пара. Использование таких устройств позволяет с высокой точностью определить значение давления исследуемой среды.
Помимо точного измерения, датчики давления также обеспечивают преобразование полученных значений в стандартный электрический сигнал или цифровой код. Эти устройства являются неотъемлемой частью автоматизированных систем управления и регулирования технологических процессов во многих отраслях — от водо- и теплоснабжения до энергетики, фармацевтики, пищевой, газовой, нефтяной и коммунальной сфер. Кроме того, они широко используются для мониторинга и учёта потребления энергетических ресурсов.
Типичный преобразователь давления создается из следующих компонентов:
• Чувствительный элемент, который является основополагающим для данного изделия.
• Схемы вторичной обработки входного сигнала и формирования выходного сигнала.
• Корпусные детали и элементы.
Компания НПФ «РАСКО» предлагает широкий ассортимент высокоточных датчиков давления, предназначенных для непрерывного контроля избыточного и абсолютного давления в различных технологических процессах. Наши приборы применимы в самых разных отраслях — от энергетики и водоснабжения до фармацевтики, пищевой промышленности и коммунальных служб.
Богатый выбор моделей позволяет подобрать оптимальное решение под конкретные условия эксплуатации и требования технологического процесса.
Все устройства оснащены высокочувствительными элементами на основе тензорезистивных или ёмкостных технологий, разработанных ведущими отечественными и зарубежными производителями.
В зависимости от модели используются сенсоры на основе металла или керамики, отличающиеся высокой перегрузочной устойчивостью (до 500%).
Приборы устойчивы к агрессивной среде, механическим нагрузкам и перепадам давления.
По желанию потребителя, датчики могут быть оснащены встроенным дисплеем с подсветкой и индикацией параметров, что повышает удобство мониторинга.
Продукция проходит строгий контроль качества и поставляется с гарантией.
Конкурентные цены и консультационная поддержка делают НПФ «РАСКО» надёжным партнёром для любых задач, связанных с измерением давления.
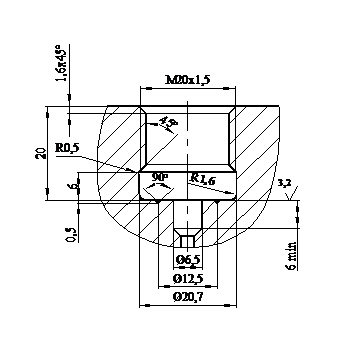
Датчики давления ПД-Р с резьбовым соединением М20×1,5 монтируются в соответствующие монтажные гнёзда, выполненные в соответствии с рисунком 1. Герметичность соединения обеспечивается с помощью прокладки, которая входит в комплект поставки.

Рис. 1
Установка и подключение преобразователя давления ПД-Р
Преобразователи давления с резьбовым соединением G1/2 допускается монтировать в трубопроводные системы только с применением отборных устройств или трёхходовых шаровых кранов, обеспечивающих возможность перекрытия подачи и сброса рабочей среды из монтажного гнезда.
Герметичность резьбового соединения должна обеспечиваться с помощью ФУМ-ленты, уплотнительного шнура или аналогичных материалов.
Запрещается устанавливать датчик непосредственно в трубопровод без отборного устройства, так как при ввинчивании преобразователя в замкнутый объём жидкости возможно резкое повышение давления, способное повредить мембрану.
Перед установкой необходимо полностью слить рабочую жидкость из отборного устройства или трёхходового крана.
2. Прокладка линии связи
Кабель, соединяющий преобразователь давления ПД-Р с внешними приборами, должен прокладываться вдали от силовых электрических цепей, так как они являются источником электромагнитных помех и ЭДС.
Сложение ЭДС с напряжением источника питания может привести к перегрузке и пробою преобразователя. В случае необходимости прокладки линии связи рядом с силовыми кабелями, рекомендуется использовать экранированный кабель.
Для соединения рекомендуется применять двухжильный кабель круглого сечения с наружной изоляцией из полиэтилена, пластмассы или резины.
Диаметр кабеля: 5,5–6,5 мм
Сечение жил: 0,75–1,5 мм²
Порядок подключения:
Разобрать розетку соединителя, открутив винт крепления.
Снять гайку, шайбу и прокладку.
Надеть на кабель гайку, шайбу, прокладку и корпус розетки.
Разделать кабель, залудить концы и вставить в хвостовики контактов.
Закрепить провода винтами.
Собрать розетку, установить прокладку, шайбу, затянуть гайку для герметичности.
Присоединить розетку к вилке, затянув винт М3 через уплотнение.
Проверить монтаж на отсутствие короткого замыкания.
Разъём имеет три потенциально уязвимых места для проникновения влаги:
входной узел кабеля;
место крепления розетки к базе;
точка соединения базы с корпусом преобразователя.
Особое внимание следует уделять петле отвода влаги: кабель должен быть уложен так, чтобы перед входом в преобразователь формировался ниспадающий изгиб (петля), препятствующий стеканию воды по кабелю в прибор.
В случае нарушения герметичности разъёма необходимо принять дополнительные меры по влагозащите кабельного ввода.
Производитель не несёт ответственности за повреждение устройства, вызванное попаданием влаги внутрь корпуса.
Рис. 2 – Монтаж разъема DIN 43650 C на преобразователь избыточного давления ПД-Р:

1 — гайка;
2 — шайба;
3 — прокладка;
4 — крепежный винт;
5 — уплотнительная шайба;
6 — корпус разъема;
7 — вставка разъема;
8 — профильное уплотнение;
9 — база соединителя электрического DIN 43650 С;
10 — преобразователь избыточного давления ПД-Р.