Счетчик газа ротационный RVG типоразмеров G10–G1000 предназначен для измерения расхода природного и других неагрессивных газов в промышленных установках, магистральных трубопроводах и системах энергоснабжения. Его работа основана на принципе вытеснения строго определенного объема газа из измерительной камеры за счет вращения роторных механизмов.
Ротационные счетчики газа RVG предназначены для коммерческого и технологического учета очищенного неагрессивного газа, включая природный газ с неоднородным химическим составом, воздух, азот и другие неагрессивные газы. Они могут использоваться на опасных производственных объектах, таких как нефтеперерабатывающие, нефтехимические, химические и газовые предприятия, а также в других отраслях промышленности.
Благодаря низкой потере давления и малой инерционности ротационные счетчики RVG ротационные счетчики RVG подходят для установки в газопроводах низкого давления перед горелками, а также в технологических процессах с низким давлением газа, включая импульсный режим работы.
Новые модификации счетчиков RVG полностью соответствуют техническим характеристикам и монтажным размерам ранее установленных моделей, что позволяет заменять их без необходимости внесения изменений в проект газоснабжения.
Онлайн программа подбора промышленных счетчиков газа >>
Работа ротационных счетчиков газа RVG основана на принципе вытеснения строго определенного объема газа вращающимися роторами. Объем перемещаемого газа определяется размерами измерительной камеры, образованной внутренней поверхностью корпуса и двумя синхронно вращающимися роторами.
Вращательное движение роторов передается через редуктор и магнитную муфту на восьмиразрядный счетный механизм, фиксирующий количество оборотов роторов, а значит, и объем прошедшего через счетчик газа. Каждый полный оборот роторов соответствует передаче определенного объема газа от входа к выходу счетчика.

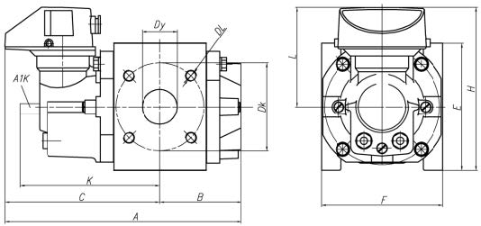
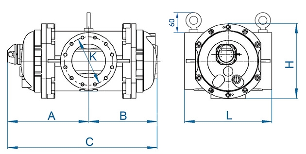
Ротационные счетчики газа RVG состоят из корпуса, двух роторов, передней и задней крышки, редуктора и счетного механизма. На корпусе могут быть предусмотрены отверстия для измерения температуры, отбора давления и установки монтажной скобы.
Счетчики выпускаются в типоразмерах G10, G16, G25, G40, G65, G100, G160, G250, G400, G650 и G1000, в зависимости от диапазона расхода газа.
По метрологическим характеристикам они представлены в основном исполнении «О», а также в вариантах «У», «2У», «3С», «3У», «4С», «4У», «5С», «5У», «6С», «6У».
По размерам корпуса возможны исполнения:
По направлению потока газа счетчики бывают однонаправленными или двунаправленными. Они могут устанавливаться как на горизонтальных, так и на вертикальных участках трубопровода.
Для передачи рабочего объема газа на электронный корректор счетчик стандартно оснащается НЧ-датчиком импульсов. Дополнительно, по заказу, может быть установлен ВЧ-датчик импульсов А1К исполнения «Б», который передает данные о точном мгновенном расходе газа.
| Параметры | Значения |
| Типоразмер | G10–G1000 |
| Расход | 0,3 – 1600 м3/ч |
| Условный диаметр | DN32–DN200 |
| Температура газа | от −30°C до +70°C |
| Температура окружающей среды | от −40°C до +70°C |
| Рабочее давление измеряемой среды | не более 1,6 МПа |
| Рабочее давление | PN16 |
| Класс защиты | IP65 |
| Материалы: | |
| — Корпус счетчика | Алюминиевый сплав |
| — Роторы | Алюминиевый сплав |
| — Счетная голова | Стабилизированный к ультрафиолетовому излучению полимер |
| Маркировка взрывозащиты | 1 Exib IIB T4 Gb X |
| Перегрузка | Кратковременно до 1,25Qмакс |
| Счетный механизм | Восьмиразрядный механический роликовый |
| Импульсный выход | 1НЧ-выход, опционально 2НЧ-выхода |
| Соединения: | |
| — Отбор давления | 2 отверстия во фланцах |
| — Температура | 2отверстия для установки гильз |
| Средний срок службы | 12 лет |
| Средняя наработка на отказ | 100000 ч |
| Относительная влажность воздуха | до 100% |
| Типо- размер |
DN, мм |
Qmax, м3/ч |
Qmin, м3/ч для диапазонов рабочих расходов Qmin/Qmax | Перепад давления при Qmax, Па |
||||||||
| 1:250 | 1:200 | 1:160 | 1:130 | 1:100 | 1:80 | 1:65 | 1:50 | 1:30 | ||||
| G10 | 32 | 16 | – | – | – | – | – | – | – | 0,3 | 0,5 | 200 |
| G10 | 40 | 16 | – | – | – | – | – | – | – | 0,3 | 0,5 | 140 |
| G10 | 50 | 16 | – | – | – | – | – | – | – | 0,3 | 0,5 | 100 |
| G16 | 32 | 25 | – | – | – | – | – | – | – | 0,5 | 0,8 | 200 |
| G16 | 40 | 25 | – | – | – | – | – | – | – | 0,5 | 0,8 | 140 |
| G16 | 50 | 25 | – | – | – | – | – | – | – | 0,5 | 0,8 | 100 |
| G25 | 40 | 40 | – | – | – | – | – | 0,5 | 0,6 | 0,8 | 1,3 | 170 |
| G25 | 50 | 40 | – | – | – | – | – | 0,5 | 0,6 | 0,8 | 1,3 | 150 |
| G40 | 40 | 65 | – | – | – | 0,5 | 0,6 | 0,8 | 1 | 1,3 | 2 | 380 |
| G40 | 50 | 65 | – | – | – | 0,5 | 0,6 | 0,8 | 1 | 1,3 | 2 | 300 |
| G65 | 50 | 100 | 0,4 | 0,5 | 0,6 | 0,8 | 1 | 1,3 | 1,6 | 2 | 3 | 460 |
| G100 | 80 | 160 | 0,6 | 0,8 | 1 | 1,3 | 1,6 | 2 | 2,5 | 3 | 5 | 500 |
| G160 | 80 | 250 | 1 | 1,3 | 1,6 | 2 | 2,5 | 3 | 4 | 5 | 8 | 620 |
| G160 | 100 | 250 | 1 | 1,3 | 1,6 | 2 | 2,5 | 3 | 4 | 5 | 8 | 620 |
| G250 | 80 | 400 | 1,6 | 2 | 2,5 | 3 | 4 | 5 | 6 | 8 | 13 | 800 |
| G250 | 100 | 400 | 1,6 | 2 | 2,5 | 3 | 4 | 5 | 6 | 8 | 13 | 800 |
| G400 | 100 | 650 | 2,5 | 3 | 4 | 5 | 6,5 | 8 | 10 | 13 | 20 | 900 |
| G400 | 150 | 650 | – | – | 4 | 5 | 6,5 | 8 | 10 | 13 | 20 | 430 |
| G650 | 150 | 1000 | – | – | 6 | 8 | 10 | 12 | 16 | 20 | 33 | 500 |
| G1000 | 200 | 1600 | – | – | 10 | 12 | 16 | 20 | 24 | 32 | 53 | 650 |
1. Исполнение счетчика «2У» возможно только для рабочих расходов, расположенных справа от сплошной синей линии.
2. Исполнения счетчика «3С», «4С», «5С», «6С», «3У», «4У», «5У», «6У» возможны только для рабочих расходов, расположенных справа от пунктирной зеленой линии.
| Исполнение | Диапазон объемного расхода | Пределы допускаемой относительной погрешности при измерении объема1), % |
| «О», «У» | от Qmin до Qt от Qt до Qmax включ. |
±2,0 ±1,0 |
| «3С», «3У» | от Qmin до Qt от Qt до Qmax включ. |
±1,9 ±1,0 |
| «4С», «4У» | от Qmin до Qt от Qt до Qmax включ. |
±1,7 ±1,0 |
| «5С», «5У» | от Qmin до Qt от Qt до Qmax включ. |
±1,6 ±1,0 |
| «6С», «6У» | от Qmin до Qt от Qt до Qmax включ. |
±1,4 ±1,0 |
| «2У» | от Qt до Qmax включ. | ±0,9 |
где
Qt – значение переходного объёмного расхода при рабочих условиях, которое соответствует 0,1Qmax для исполнения «О», «3С», «4С», «5С», «6С» и 0,05Qmax для исполнения «У», «3У», «4У», «5У», «6У».
1) Пределы относительной погрешности при измерении объема нормированы во всём диапазоне рабочих условий счетчика.
| Типоразмер | G10 | G16 | G25 | G40 | G65 | G100 | G160 | G250 | G400 | G650 | G1000 |
| Порог чувствительности, м3/ч – исполнение «Р» – исполнение «Б», «К» |
– 0,08 |
0,1 0,08 |
0,1 0,08 |
0,1 0,08 |
0,1 0,08 |
0,16 0,15 |
0,25 0,15 |
0,4 0,2 |
0,65 0,4 |
– 0,7 |
– 1 |
| Емкость счетного механизма, м3 |
106 | 106 | 106 | 106 | 106 | 107 | 107 | 107 | 107 | 107 | 107 |
|
Объем изм.камеры, дм3
–исполнение «Р» – исполнение «Б» –исполнение «К» |
– 0,51 – |
0,56 0,95 0,51 |
0,56 0,95 0,51 |
0,56 0,95 – |
0,56 0,95 – |
1,07 2,78 1,17 |
2,01 3,1 – |
2,54 4,5 – |
3,65 4,68 – |
– 15,7 – |
– 19,7 – |
| Цена деления ролика младшего разряда, м3 |
0,002 | 0,002 | 0,002 | 0,002 | 0,002 | 0,02 | 0,02 | 0,02 | 0,02 | 0,02 | 0,2 |
1) Исполнение «К»
2) Исполнение с номинальным диаметром DN150

Размеры корпуса для ротационных счетчиков газа RVG исполнения «Р»
| Типоразмер | Размеры, мм | Вес, кг | ||||||||||
| DN | Dk | DL | A | B | C | E | F | H | K | L | ||
| G16–G65 | 50 | 125 | 4xM16 | 335 | 115 | 220 | 180 | 171 | 228 | 240 | 141 | 12 |
| G100 | 80 | 160 | 8xM16 | 435 | 165 | 272 | 180 | 171 | 228 | 290 | 141 | 16 |
| G160 | 80 | 160 | 8xM16 | 469 | 189 | 280 | 220 | 241 | 278 | 298 | 168 | 33 |
| G250 | 100 | 180 | 8xM16 | 529 | 219 | 310 | 220 | 241 | 278 | 328 | 168 | 39 |
| G400 | 100 | 180 | 8xM16 | 660 | 290 | 370 | 285 | 260 | 308 | 421 | 168 | 50 |
| G400 | 150 | 240 | 8xM20 | 660 | 290 | 370 | 285 | 260 | 308 | 421 | 168 | 65,5 |
Размеры корпуса для ротационных счетчиков газа RVG исполнений «Б» и «К» от G10 до G400 (DN 100)

Размеры корпуса для ротационных счетчиков газа RVG исполнений «Б» и «К» от G400 (DN 150) до G1000
| Типоразмер | Размеры | Вес, кг | ||||||
| DN, мм | C, мм | A, мм | B, мм | H, мм | L, мм | K, мм | ||
| PN16 | ||||||||
| G10, G16 | 32 | 326 | 205 | 121 | 150 | 171 | 100 | 9 |
| G10, G16*, G25, G40 |
40 | 326 | 205 | 121 | 150 | 171 | 110 | 9 |
| G10, G16* | 50 | 326 | 205 | 121 | 176 | 171 | 125 | 9 |
| G25* | 50 | 326 | 205 | 121 | 176 | 171 | 125 | 9 |
| G16 | 50 | 378 | 230 | 148 | 220 | 171 | 125 | 11,5 |
| G25 | 50 | 378 | 230 | 148 | 220 | 171 | 125 | 11,5 |
| G40 | 50 | 378 | 230 | 148 | 190 | 171 | 125 | 11,5 |
| G65 | 50 | 378 | 230 | 148 | 190 | 171 | 125 | 11,5 |
| G100* | 80 | 413 | 247 | 166 | 220 | 171 | 125 | 15 |
| G100 | 80 | 444 | 259 | 185 | 260 | 241 | 160 | 23 |
| G160 | 80 | 467 | 271 | 196 | 244 | 241 | 160 | 27,5 |
| G160 | 100 | 467 | 271 | 196 | 244 | 241 | 160 | 28 |
| G250 | 80 | 572 | 322 | 250 | 244 | 241 | 160 | 39 |
| G250 | 100 | 572 | 322 | 250 | 244 | 241 | 180 | 40 |
| G400 | 100 | 720 | 397 | 323 | 240 | 241 | 180 | 48,5 |
| G400 | 150 | 688 | 378 | 310 | 460 | 450 | 240 | 102 |
| G650 | 150 | 826 | 447 | 379 | 460 | 450 | 240 | 125 |
| G1000 | 200 | 932 | 500 | 432 | 460 | 600 | 295 | 145 |
* Исполнение «К»