Регуляторы давления газа серии РДГ (модели РДГ-25, РДГ-50, РДГ-80, РДГ-150) предназначены для эксплуатации в составе газорегуляторных пунктов (ГРП) и газорегуляторных установок (ГРУ) коммунально-бытовых, промышленных, городских и сельских систем газоснабжения.
Регуляторы обеспечивают стабильное снижение входного давления газа и автоматическое поддержание установленного выходного давления, независимо от изменений входного давления или расхода газа. Это гарантирует надёжную работу оборудования и безопасность газоснабжения при любых эксплуатационных условиях.
Регуляторы давления газа РДГ предназначены для эксплуатации в условиях, соответствующих климатическому исполнению У2 по ГОСТ 15150-69. Они сохраняют полную работоспособность при температуре окружающего воздуха от -45°С до +40°С, что позволяет использовать их в широком диапазоне климатических условий — от холодных северных регионов до умеренных и тёплых зон.
| Наименование параметра размера | Значение исполнения | ||||
| РДГ-25Н(В) | РДГ-50Н(В) | РДГ-80Н(В) | РДГ-150Н | РДГ-150В | |
| Диаметр условного прохода входного фланца, Ду, мм | 25 | 50 | 80 | 150 | 150 |
| Максимальное входное давление, МПа (кгс/см2) | 1,2 (12) | ||||
| Диапазон настройки выходного давления, МПа (кгс/см2) | 0,001—0,06 (0,06—0,6) | 0,0015— 0,06 | 0,06—0,6 | ||
| Максимальное выходное давление, МПа | - | 0,06 | 0,6 | ||
| Диаметр седла, мм | 21 | 25/30/35/40/45 | 65 | 98 | 98 |
| Пропускная способность при входном давлении — 0,1 МПа, м3/ч — 1,2 МПа, м3/ч |
-
2200 |
1100
7100 |
2250
14600 |
-
32000 |
|
| Габаритные размеры, мм — длина — строительная длина — ширина — высота |
365 325 440 460 |
440 365 550 350 |
507 502 560 470 |
570 - 650 800 |
|
|
Диаметр условного прохода входного и выходного фланца, Ду Фланцы по ГОСТ 33259-2015 на условное давление, МПа |
25/32 1,6 |
- 1,6 |
- |
||
| Присоединительные размеры: — входного патрубка условный проход, мм соединение — выходного патрубка: условный проход, мм соединение |
- |
150
фланцевое по ГОСТ 12820-80 150
фланцевое по ГОСТ 12820-80 |
|||
| Масса, кг, не более | 15 | 26 | 50 | 80 | |


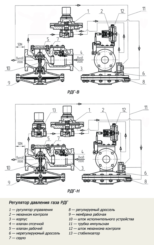
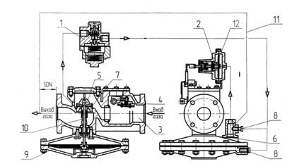
1 — регулятор управления КВ-2; 2 — механизм контроля; 3 — корпус; 4 — клапан отсечной; 5 — клапан; 6 — нерегулируемый дроссель; 7 — седло; 8 — регулируемый дроссель; 9 — мембрана; 10 — шток исполнительного устройства; 11 — трубка импульсная; 12 — шток механизма контроля

1 — регулятор управления КВ-2; 2 — механизм контроля; 3 — корпус; 4 — клапан отсечной; 5 — клапан; 6 — нерегулируемый дроссель; 7 — седло; 8 — регулируемый дроссель; 9 — мембрана; 10 — шток исполнительного устройства; 11 — трубка импульсная; 12 — шток механизма контроля; 13 — регулятор управления КН-2