РД регулятор давления газа двухступенчатый бытовой домовый предназначен для редуцирования высокого или среднего давления газа на низкое. Он автоматически поддерживает заданное выходное давление при изменениях расхода и входного давления, а также блокирует подачу газа в случае превышения или снижения давления на выходе за допустимые пределы.
Регулятор РД используется на газовых вводах и газогорелочных устройствах систем отопления и горячего водоснабжения различных типов зданий: жилых (частные дома, коттеджи, таунхаусы, малоэтажные многоквартирные дома), бытовых, общественных и административных.
(!) Возможно, Вас заинтересует: ДРП домовые газорегуляторные пункты с бытовыми регуляторами давления газа >>
Преимущества регулятора давления газа двухступенчатого РД


— Регулятор давления газа двухступенчатый с максимальной пропускной способностью 25 м3/ч с угловым подсоединением к трубопроводу РД-25 угловой...ТУ
— Регулятор давления газа двухступенчатый с максимальной пропускной способностью 25 м3/ч с линейным подсоединением к трубопроводу РД-25 линейный...ТУ
— Регулятор давления газа двухступенчатый с максимальной пропускной способностью 25 м3/ч с входом и выходом, направленными вниз, РД-25 П-образный...ТУ
Условия эксплуатации регулятора должны соответствовать климатическому исполнению УХЛ 2 по ГОСТ 15150-69 для работы при температурах окружающего воздуха от −40 до + 60°С.
| Параметры | Значения |
| Рабочая среда | Природный газ по ГОСТ 5542-2014, паровая фаза сжиженного углеводородного газа по ГОСТ 20448-20 18 и другие газы, не агрессивные к алюминиевым медным сплавам и резине |
| Рабочее давление, MПa | 0,05-0,6 |
| Пределы настройки номинальных значений выходного давления, кПа | 1,8…2,4 (заводская настройка 2 кПа) |
| Зона пропорциональности, от верхнего предела настройки Рвых, % | ±10 |
| Пределы настройки срабатывания предохранительного сбросного клапана (ПСК), кПа | 2,5 — 4,5 (заводская настройка 2,9 кПа) |
| Пределы настройки срабатывания предохранительного запорного клапана (ПЗК): | |
| — при повышении выходного давления, кПа | 3 — 4,5 (заводская настройка 3,7 кПа) |
| — при понижении выходного давления, кПа | 0,5 — 1,5 (заводская настройка 1,1 кПа) |
| Погрешность срабатывания ПЗК от номинального значения настройки, % | ±10 |
| Степень герметичности рабочего и запорного клапанов | Класс «А» по ГОСТ 9544-2015 |
| Температура рабочей среды, 0С | – 30*…+60 |
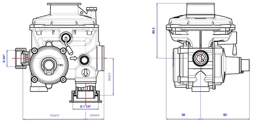
| Присоединительные размеры: | |
| — входного патрубка | G ¾" |
| — выходного патрубка | G1¼" |
| Срок службы, лет, не менее | 20 |
* Без конденсации влаги
| Модель | Расход м3/ч |
| РД-6 | 6 |
| РД-10 | 15 |
| РД-25 | 25 |
| РД-50 | 50 |
Регулятор давления газа соответствует требованиям Технических регламентов ТР ТС 010/2011 «О безопасности машин и оборудования», ТР ТС 016/2011 «О безопасности аппаратов, работающих на газообразном топливе» и «Правилам безопасности сетей газораспределения и газопотребления».
| Наименование | Материал |
| Корпус клапана и крышки | Алюминиевый сплав с покрытием цинком |
| Штоки клапанов, пружины, винты | Нержавеющая сталь |
| Прочие металлические детали | Алюминий, бронза |
| Мембраны, уплотнения | Резина H-NBR |
| Рукоятки и колпачки | Пластмасса NyIon-6 |
Регулятор изготавливается с встроенным предохранительно-сбросным клапаном (ПCK) и предохранительно-запорным клапаном (П3K).
| Исполнение | Внешний вид |
| РД-6 (угловой) РД-10 (угловой) РД-25 (угловой) РД-50 (угловой) |
![]() |
| РД-6 (линейный) РД-10 (линейный) РД-25 (линейный) РД-50 (линейный) |
![]() |
| РД-6 (П-образный) РД-10 (П-образный) РД-25 (П-образныи) РД-50 (П-образный) |
![]() |


