Модуль телеметрии МТЭК-03 предназначен для организации связи с корректором ТС220 по интерфейсу RS-232, а также (опционально) по беспроводным каналам Wi-Fi, Bluetooth, CSD и GPRS. Устройство оснащено встроенным барьером искрозащиты, что позволяет использовать его для взаимодействия с корректорами, установленными во взрывоопасных зонах.
Модуль обеспечивает питание корректора и его коммуникационного порта стабилизированным напряжением. Передача данных по беспроводным каналам реализуется с помощью дополнительного модуля расширения, который выбирается при заказе.
Обмен данными через два коммуникационных порта осуществляется последовательно — в порядке поступления запросов. Во время активного сеанса связи подключение через другие порты временно недоступно.
Требования взрывозащиты
МТЭК-03 относится к взрывозащищённому связанному оборудованию (ГОСТ 31610.0) с типом защиты «искробезопасная электрическая цепь» (ГОСТ 31610.11), уровень — «ib Gb». Безопасность обеспечивается за счёт:
Гальваническая развязка сигнальных цепей реализована с использованием оптронов или цифровых изоляторов интерфейсов, а силовых цепей — с помощью изолированных преобразователей постоянного напряжения.
Маркировка взрывозащиты: [Ex ib Gb] IIB.
Обработка и передача данных выполняется с использованием программного обеспечения «СОДЭК».
| Параметры | Значения |
| Подключение корректора | |
| Тип подключаемого корректора | ТС220 |
| Гальванически изолированный интерфейс подключения корректора | RS-232 |
| Прочность изоляции | 1500 В |
| Гальванически изолированное напряжение питания корректора | +6 В 50 мА |
| Подключение периферийного оборудования | |
| Гальванически изолированный интерфейс для подключения внешних устройств | RS-232 / RS-485 |
| Электропитание | |
| Входное сетевое напряжение питания | 85-264 В |
| Максимальная потребляемая мощность | 5 Вт |
| Конструктивное исполнение | |
| Встроенное ПО | Есть |
| FLASH-память | 16 Мб |
| Опциональные интерфейсы | Модем 4G/LTE/NBIoT Модем WiFi/BT RS-232 /RS-485 ISO |
| Количество опциональных интерфейсов | 2 |
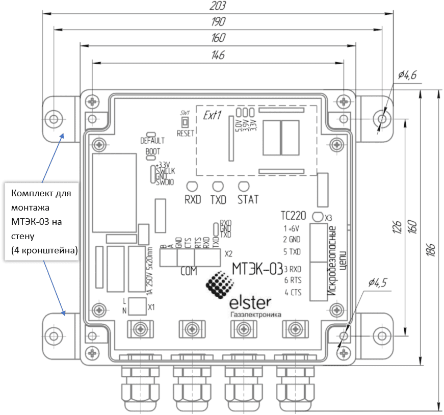
| Габаритные размеры корпуса, без кабельных вводов, мм | 160 мм х 160 мм х 90 мм |
| Габаритные размеры корпуса, без кабельных вводов, мм | 160 мм х 185 мм х 90 мм |
| Масса, не более | 0,7 кг |
| Степень защиты, не хуже | IP65 |
| Назначенный срок службы | 10 лет |
| Средняя наработка на отказ, не менее | 10 000 часов |
| Срок хранения | 3 года |
| Диапазон температур окружающей среды | -30...+60 °С |

Конструкция модуля МТЭК-03 предусматривает возможность настенного монтажа: в корпусе выполнены специальные отверстия для крепления. В комплект поставки входят монтажные кронштейны, которые устанавливаются при необходимости непосредственно на месте эксплуатации.
Основные сведения по подключению корректоров объёма газа к модулям телеметрии серии МТЭК приведены в руководствах по эксплуатации коммуникационных модулей МТЭК-02 и МТЭК-03.
Дополнительно ООО «ЭЛЬСТЕР Газэлектроника» разработан документ «Схемы подключения корректоров объёма газа ТС220, ЕК270, ЕК280, ЕК290 и модулей телеметрии серии МТЭК», содержащий подробные рекомендации по подключению оборудования.
Дополнительная сопроводительная документация предоставляется по запросу.