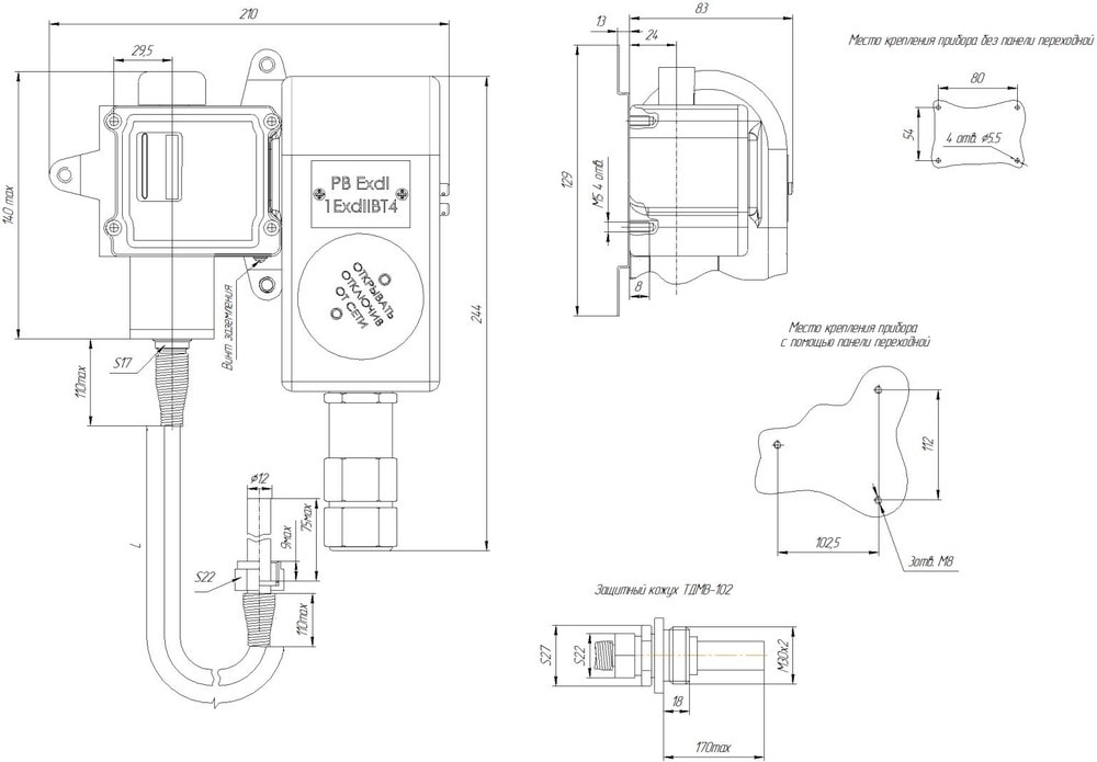
Датчики-реле температуры взрывозащищенные ТДМВ-102 манометрические применяются для контроля и регулирования температуры жидких и газообразных сред. Они используются в стационарных холодильных установках, в системах угольных шахт, а также во взрывоопасных зонах как внутри помещений, так и на открытых установках. Конструкция и исполнение приборов соответствуют требованиям ГОСТ IEC 60079-14, Ex-маркировки, главы 7.3 ПУЭ и других нормативных документов, которые регулируют эксплуатацию электрооборудования во взрывоопасных газовых средах. Благодаря своей надежности и взрывозащищенному исполнению ТДМВ-102 могут устанавливаться не только в подземных выработках шахт и рудников, но и в наземных объектах, обеспечивая стабильную и безопасную работу оборудования в сложных условиях.
Датчики-реле температуры ТДМВ-102 также рассчитаны на использование в качестве сигнализирующих приборов в условиях, где исключено воздействие пылевоздушных потоков на корпус, а также невозможна наработка статического электричества через индукцию, трение или контакт с заряженными объектами.
В качестве контролируемой среды могут использоваться воздух, пресная вода, масла, хладоны, дизельное топливо и другие жидкости или газы с вязкостью до 0,8 Па×с, при этом они не должны оказывать агрессивного воздействия на материалы, примененные в конструкции датчика.
Приборы ТДМВ-102 предназначены для эксплуатации в соответствии с климатическими и техническими условиями, установленными для исполнений УХЛ2, В2,5 по ГОСТ 15150-69.
| Условное обозначение прибора |
Нормированный диапазон уставок*, °С |
Основная абсолютная погрешность, °С, не более |
Разброс срабатывания, °С, не более |
Зона возврата, °С, не более |
| нерегулируемая | ||||
| не более | ||||
| ТДМВ-102.01.1 | От -20 до +10 | ±1,5 | 0,3°С – для приборов без кожуха; 0,5°С – для приборов с кожухом термопатрона | 5 |
| ТДМВ-102.02.1 | От +5 до +45 | |||
| ТДМВ-102.03.1 | От +10 до +60 | |||
| ТДМВ-102.04.1 | От +50 до +130 | ±4 | 10 | |
| * «Нормированный диапазон уставок» — значения уставок, на которых выполняются требования технических условий на прибор для каждого исполнения. | ||||
Примечания
1. Настройка прибора на конкретную уставку срабатывания производится предприятием-изготовителем в соответствии с заказом. Значение уставки выбирается из диапазона уставок с шагом 10С.
2. При отсутствии в заказе значения уставки срабатывания, приборы настраиваются на предприятии-изготовителе на следующие уставки срабатывания внутри соответствующего нормированного диапазона уставок:
| Условное обозначение |
Максимально допускаемое значение температуры контролируемой среды*, °С |
| ТДМВ-102.01 | 50 |
| ТДМВ-102.02 | |
| ТДМВ-102.03 | 105 |
| ТДМВ-102.04 | 145 |
| * Продолжительность воздействия не более 5 мин. | |
| Род тока | Напряжение, В | Коммутируемая мощность, Вт | Ток, А | Сos j, не менее | Частота, Гц | |
| мин. | макс. | |||||
| Постоянный | от 12 до 24 | 60 | 0,1 | – | – | – |
| Переменный | 127; 220 | – | 0,1 | 6 | 0,6 | 50или 60 |
|
Примечания 1. Минимальное значение коммутируемого тока 0,1А, при этом индуктивность для постоянного тока не более 5 мГн. 2. Не допускается использовать приборы для коммутации минимальных токов, если они использовались при других токовых нагрузках. |
||||||

1) прибор ТДМВ-102 с диапазоном уставок от плюс 10 до плюс 60 °С, с нерегулируемой зоной возврата, с направлением зоны возврата относительно уставкив сторону повышения температуры, с уставкой плюс 50 °С, с длиной капилляра 2,5 м
«Датчик-реле температуры ТДМВ-102.03.1.↑50 °С-2,5 м ТУ 4218-005-97817222-14»;
2) прибор ТДМВ-102 с диапазоном уставок от плюс 5 до плюс 60 °С, с регулируемой зоной возврата, с направлением зоны возврата относительно уставки в сторону понижения температуры, с уставкой плюс 40 °С, с длиной капилляра 4 м, с комплектом монтажных частей К2
«Датчик-реле температуры ТДМВ-102.02.2.↓40 °С-4 м, К2 ТУ 4218-005-97817222-14».
