Датчики-реле температуры ТДМ-103 предназначены для применения в холодильных установках, а также в различных системах регулирования и контроля температуры жидких и газообразных сред.
Контролируемая среда: воздух, масла, хладоны, пресная вода, другие среды, не вызывающие коррозии контактирующих деталей из меди, медных сплавов, серебряных припоев, оловянно-свинцовых сплавов и сталей.
Датчики-реле температуры ТДМ-102 пригодны для применения в условиях, установленных для исполнений УХЛ2, В2,5 по ГОСТ 15150-69.
| Условное обозначение прибора |
Нормированный диапазон уставок*, °С |
Основная абсолютная погрешность, °С, не более |
Разброс срабатывания, °С, не более |
Зона возврата, °С, не более |
|
| нерегулируемая | |||||
| не менее | не более | ||||
| ТДМ-103-01 | от -50 до 50 | ± 1,5 | 0,6 | 3 | 6 |
| ТДМ-103-02 | от -30 до 70 | ||||
| ТДМ-103-03 | от 0 до 100 | ||||
| ТДМ-103-04 | от 70 до 170 | ||||
| * «Нормированный диапазон уставок» — значения уставок, на которых выполняются требования технических условий на прибор для каждого исполнения. | |||||
Примечания
1. Настройка датчика-реле температуры ТДМ-103 на конкретную уставку срабатывания производится предприятием-изготовителем в соответствии с заказом. Значение уставки выбирается из диапазона уставок с шагом 10С.
2. Допускается перенастройка у потребителя в пределах значений, указанных в таблице, при этом гарантии изготовителя касающиеся основной абсолютной погрешности не сохраняются.
| Условное обозначение |
Предельно допускаемое значение температуры контролируемой среды*, °С |
| ТДМ-103-01 | +80 |
| ТДМ-103-02 | +100 |
| ТДМ-103-03 | +130 |
| ТДМ-103-04 | +200 |
|
* Продолжительность воздействия не более 5 мин. |
|
| Род тока | Напряжение, В | Коммутируемая мощность, Вт | Ток, А | Сos j, не менее | Частота, Гц | |
| мин. | макс. | |||||
| Постоянный | от 12 до 24 | 60 | 0,1 | – | – | – |
| Переменный | 127; 220 | – | 0,1 | 6 | 0,6 | 50 или 60 |
|
Примечания 2. Не допускается использовать приборы для коммутации минимальных токов, если они использовались при других токовых нагрузках. |
||||||
Датчики-реле температуры ТДМ-103 устойчивы и сохраняют параметры в условиях воздействия рабочей пониженной -50ºС и рабочей повышенной +70ºС температур окружающего воздуха.
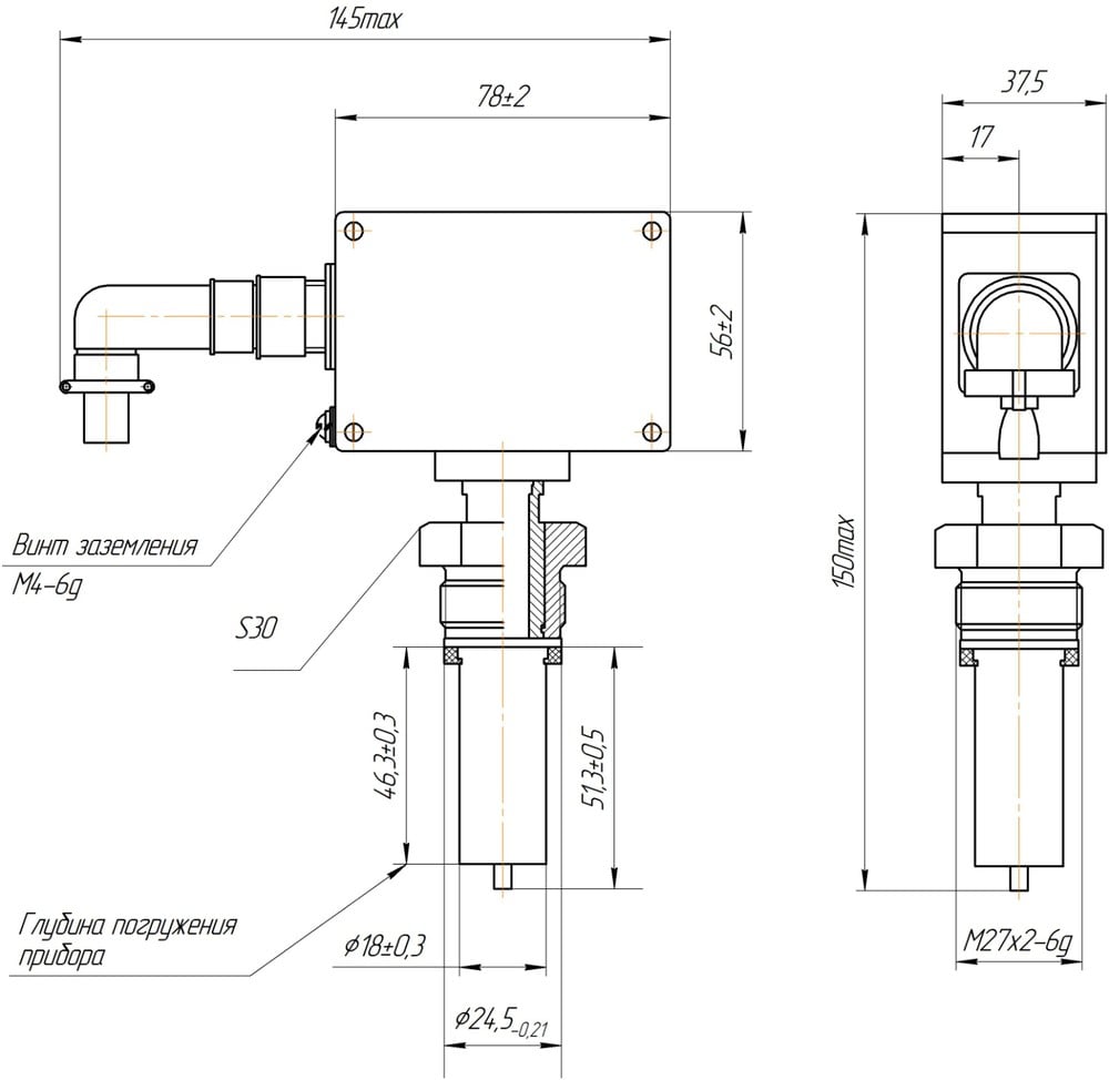
По защищенности от попадания внутрь пыли и проникновения воды датчики имеют исполнение IP65 по ГОСТ 14254-96.
Масса датчика не более 0,45 кг.


