Датчики-реле температуры ТДМ-102 предназначены для применения в холодильных установках, а также в различных системах регулирования и контроля температуры жидких и газообразных сред.
Контролируемая среда: воздух, масла, хладоны, пресная вода, другие среды, не вызывающие коррозии контактирующих деталей из меди, медных сплавов, серебряных припоев, оловянно-свинцовых сплавов и сталей.
Датчики-реле температуры ТДМ-102 пригодны для применения в условиях, установленных для исполнений УХЛ2, В2,5 по ГОСТ 15150-69.
| Условное обозначение прибора |
Нормированный диапазон уставок*, °С |
Основная абсолютная погрешность, °С, не более |
Разброс срабатывания, °С, не более |
Зона возврата, °С, не более |
| нерегулируемая | ||||
| не более | ||||
| ТДМ-102-01-1 | от 10 до 60 | ± 3 | 0,3 | 6 |
| ТДМ-102-02-1 | от 50 до 130 | ± 3 | 0,3 | 6 |
| * «Нормированный диапазон уставок» — значения уставок, на которых выполняются требования технических условий на прибор для каждого исполнения. | ||||
Примечания
1. Настройка датчика на конкретную уставку срабатывания производится предприятием-изготовителем в соответствии с заказом. Значение уставки выбирается из диапазона уставок с шагом 10С.
2. При отсутствии в заказе значения уставки срабатывания, датчики настраиваются на предприятии-изготовителе на следующие уставки срабатывания внутри соответствующего нормированного диапазона уставок:
— ТДМ-102-01 — 500С ± 30С;
— ТДМ-102-02 — 1000С ± 30С.
3. Допускается перенастройка у потребителя в пределах значений, указанных в таблице.
| Условное обозначение |
Предельно допускаемое значение температуры контролируемой среды*, °С |
| ТДМ-102-01 | +85 |
| ТДМ-102-02 | +145 |
|
* Продолжительность воздействия не более 5 мин. |
|
| Род тока | Напряжение, В | Коммутируемая мощность, Вт | Ток, А | Сos j, не менее | Частота, Гц | |
| мин. | макс. | |||||
| Постоянный | от 12 до 24 | 60 | 0,1 | – | – | – |
| Переменный | 127; 220 | – | 0,1 | 6 | 0,6 | 50или 60 |
| Примечания 1. Минимальное значение коммутируемого тока 0,1А, при этом индуктивность для постоянного тока не более 5 мГн. 2. Не допускается использовать приборы для коммутации минимальных токов, если они использовались при других токовых нагрузках. |
||||||
Датчики-реле температуры ТДМ-102 устойчивы и сохраняют параметры в условиях воздействия рабочей пониженной -60ºС и рабочей повышенной +80ºС температур окружающего воздуха.
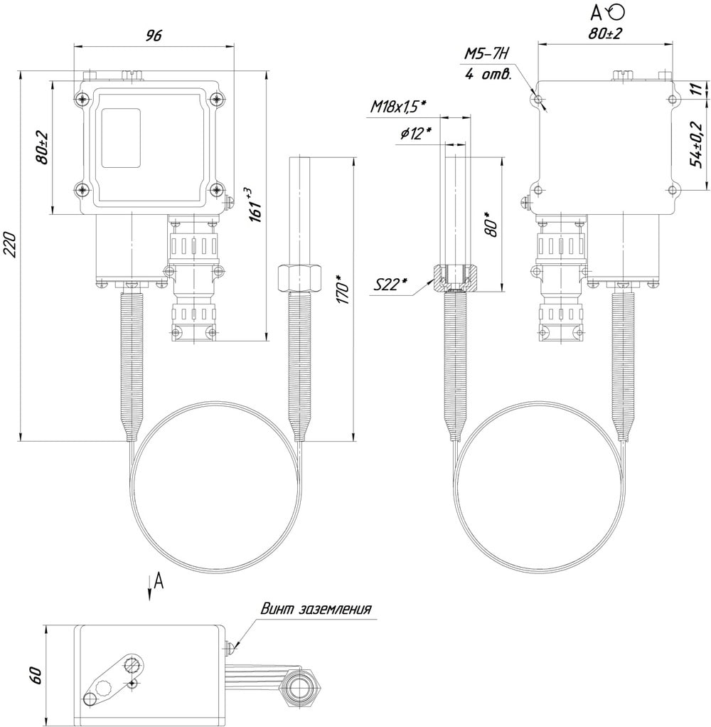
По защищенности от попадания внутрь пыли и проникновения воды датчики-реле имеют исполнение IP64 по ГОСТ 14254-96.
Масса датчика не более 1,2 кг.

Примечание
1 — соединители EN 175301-803 форма А и типа ШР ставятся на приборы в климатическом исполнении УХЛ2, типа 2РТТ на приборы в климатическом исполнении В2,5;
2 — поставляется по отдельному заказу.
1) датчик-реле температуры ТДМ-102 с диапазоном уставок от 10 до 600С, с нерегулируемой зоной возврата, с соединителем по EN 175301-803 форма А, климатического исполнения УХЛ2, с направлением зоны возврата в сторону понижения температуры относительно уставки, с уставкой срабатывания 300С, с длиной капилляра 1,5 м, с комплектом монтажных частей К1: «Датчик-реле температуры ТДМ-102-01-1-1, ↓, уставка 300С, 1,5м, К1 ТУ 4218-003-97817222-12».
2) то же, при отсутствии в заказе величины срабатывания уставки: «Датчик-реле температуры ТДМ-102-01-1-1, ↓, 1,5м, К1 ТУ 4218-003-97817222-12».

