Датчики-реле температуры ТАМ-103С предназначены для эксплуатации в холодильных установках, а также в различных системах контроля и регулирования температуры жидких и газообразных сред. Степень защиты от проникновения внутрь корпуса воды и пыли IP67 по ГОСТ 14254-96.
Датчик ТАМ-103С рассчитан для работы в средах, таких как воздух, масла, хладоны, пресная вода, а также в других средах, не вызывающих коррозии деталей прибора, изготовленных из сталей, оловянно-свинцовых сплавов и серебряных припоев.
|
Условное обозначение прибора |
Диапазон уставок*, °С |
Основная абсолютная погрешность, °С, не более |
Разброс срабатывания, °С, не более |
Зона возврата, °С |
|
| нерегулируемая | |||||
| не менее | не более | ||||
| ТАМ-103С-01 | от 0 до 100 | ± 2 | 0,8 | 2 | 6 |
| ТАМ-103С-02 | от 70 до 170 | ||||
| ТАМ-103С-03 | от -30 до +70 | ||||
| ТАМ-103С-04 | от -50 до +50 | ||||
| * «Диапазон уставок» — значения уставок, на которых выполняются требования технических условий на прибор для каждого исполнения. | |||||
Примечания
1. Настройка прибора на конкретную уставку срабатывания производится предприятием-изготовителем в соответствии с заказом.
2. Допускается перенастройка у потребителя в пределах диапазонов, указанных в таблице, при этом гарантии изготовителя, касающиеся основной абсолютной погрешности не сохраняются.
|
Условное обозначение |
Максимально допускаемая температура контролируемой среды, 0С |
| ТАМ-103С-01 | + 130 |
| ТАМ-103С-02 | + 200 |
| ТАМ-103С-03 | + 100 |
| ТАМ-103С-04 | + 80 |
| Род тока | Напряжение, В |
Коммутируемая мощность, Вт |
Ток, А |
Сos j, не менее |
Частота, Гц |
|
| мин. | макс. | |||||
| Постоянный | от 12 до 24 | 60 | 0,1 | – | – | – |
| Переменный | 127; 220 | – | 0,1 | 6 | 0,6 | 50или 60 |
Примечания
1. Минимальное значение коммутируемого тока 0,1А, при этом индуктивность для постоянного тока не более 5 мГн.
2. Не допускается использовать приборы для коммутации минимальных токов, если они использовались при других токовых нагрузках.
Приборы устойчивы и сохраняют параметры в условиях воздействия рабочей пониженной -50ºС и рабочей повышенной +55ºС температур окружающего воздуха.
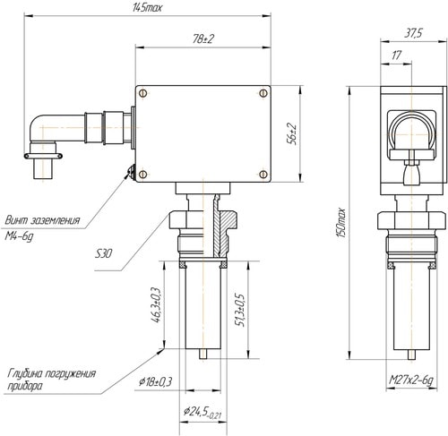
По защищенности от попадания внутрь пыли и проникновения воды приборы имеют исполнение IP65 по ГОСТ 14254-96.
Масса прибора не более 0,45 кг.

Примечание
1 — соединители EN 175301-803 форма А ставятся на приборы в климатическом исполнении УХЛ3, типа 2РМДТ на приборы в климатическом исполнении ОМ5.
1) датчик-реле температуры ТАМ-103С с направлением зоны возврата в сторону понижения температуры, без кожуха, с соединителем по EN 175301-803 форма А, уставка 55 °С, климатическое исполнение УХЛ3:
«Датчик-реле температуры ТАМ-103С-01.2.2-3, уставка 550С, УХЛ3 ТУ 4218-145-00227471-2012».
2) датчик-реле температуры ТАМ-103С, направление зоны возврата в сторону повышения температуры, с кожухом, с электрическим соединителем типа 2РМДТ, уставка 70 °С, климатическое исполнение ОМ5:
«Датчик-реле температуры ТАМ-103С-01.1.1-2, уставка 700С, ОМ5 ТУ 4218-145-00227471-2012».

